Hyundai Elantra: Brake System / Autonomous Emergency Braking(AEB) System

Hyundai Elantra AD (2016-2020) Service Manual / Brake System / Autonomous Emergency Braking(AEB) System

Description and Operation

Description
-
AEB system is designed to help avoid a potential collision or reduce its impact when drivers applies inadequate, delayed or no brakes at all to avoid a collision.
-
The system detects the risk factors on the road by using the frontal impact sensor and warn the driver and activate the emergency brake to prevent collision or reduce collision speed.
The following is the system control process
1.
Detect preceding vehicles (pedestrians) and analyze the data (CAN comm.) by using the radar sensor of the Smart Cruise Control System (SCC) and the camera sensor of Lane Departure Warning System (LDWS).
2.
Confirm the object to be protected by AEB system (vehicles and pedestrians) by using the analyzed data.
3.
Calculate the speed reduction depending on the speed, distance, existence or nonexistence of preceding vehicle.
4.
Report the "required speed reduction" to Vehicle Dynamics Control (VDC) (CAN Comm.)
5.
VDC performs automatic control after calculating the required torque to achieve "required speed reduction" (CAN Comm.).
Operation

? The time indicated will be changed according to vehicle speeds.
•
Step 1: Issue a visual (display) and vocal alarm when a danger is detected.
•
Step 2: Reduce engine torque and activates AEB when there is a high chance of collision.
•
Step 3: Activate emergency brake when a collision is imminent.
•
After stopping the vehicle: Maintain the braking control for a certain time and then release it.
   
•
Braking power is adjusted depending on the risk levels of collision, but it is released immediately when it detects the driver's action to avoid a collision.
1.
When it exceeded the maximum operation speed.
2.
When it detected driver's action to avoid a collision such as sudden steering changes.
3.
When the shift lever is in R or P
4.
When you pressed the accelerator pedal half way.
   
1.
When you drive at 80km/h or faster, the system does not go to step 3 of emergency braking.
-
Full auto braking is not available.
2.
While driving at 80km/h or slower on a straight or slightly curved road, the system performs three steps after issuing a warning.
-
But a collision may occur at 30km/h or faster depending on the road conditions.
3.
While driving at 80km/h or slower on a straight or slightly curved road, after a visual and vocal warning, AEB is activated to reduce the vehicle speed.
4.
At 80km/h or faster, it's impossible to avoid a collision. Offset should be less than 50%.
5.
AEB does not work on the vehicles backing up or resisting.
6.
At 70km/h or faster, it does not respond to pedestrians.
   
Offset : Rate of non-overlapping on the line between the front driving car and my car
1.
Offset 0% :

2.
Offset 100% :

Components and Components Location

Components
The following is the configuration of the AEB system.
-
Detection device (radar and camera) that can recognize potential obstacles in the front.
-
Human-Machine Interface (HMI) to warn driver or change settings.
-
Braking system to automatically brake the car
AEB, contrary to SCC (Smart Cruise Control), has to work on a stationary car so the system uses the Fusion Target system to combine radar with camera.

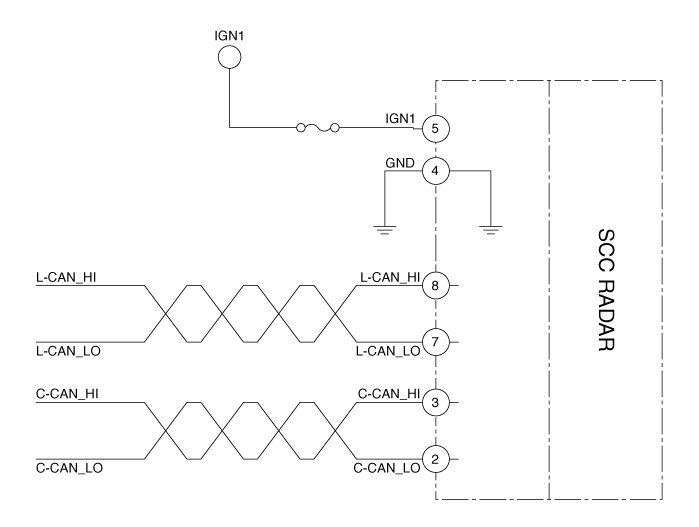
Schematic Diagrams

Schematic diagram

Terminal Function

NO.
Function
1
-
2
C-CAN Low
3
C-CAN High
4
GND
5
IGN_1
6
-
7
L-CAN Low
8
L-CAN High

Repair procedures

Removal
AEB radar
1.
Turn the ignition switch off and disconnect the battery (-) cable.
2.
Remove the front bumper cover
(Body - Refer to the "front bumper")
3.
Disconnect the AEB radar connector(A).
4.
Remove the AEB unit (B).

LDWS camera
AEB, contrary to SCC (Smart Cruise Control) has to work on a stationary car so the system uses the Fusion Target system to combine radar and camera.
1.
Disconnect the battery (-) cable.
2.
Remove the camera.
(Refer to Body Electrical System - "Lane Departure Warning System (LDWS)")
Installation
AEB radar
1.
Installation is the reverse of removal.
2.
Perform the AEB(SCC) radar alignment.
(Refer to Engine Electrical System - "Smart Cruise Control Unit)

LDWS camera
1.
Installation is the reverse of removal.
2.
Perform Service Point Target Auto Calibration (SPTAC).
(Refer to Body Electrical System - "Lane Departure Warning System (LDWS)")
Rear Wheel Speed Sensor Repair procedures
Removal 1. Loosen the wheel nuts slightly. Raise the vehicle, and make sure it is securely supported. 2. Remove the rear wheel and tire (A) from front hub . Tightening torque: 107.9 ~ 127 ...

Other information:

Hyundai Elantra AD (2016-2020) Service Manual: Description and Operation
Cruise Control The cruise control system is engaged by the cruise "ON/OFF" main switch located on the right-hand side of steering wheel column. The system has the capability to cruise, coast, accelerate and resume speed. It also has a safety interrupt, engaged upon depressing brake or shif ...

Hyundai Elantra AD (2016-2020) Service Manual: AVN(Audio Video Navigation) head unit Components and Components Location
Components Connector Pin Information NoConnector AConnector BConnector C1-Multmedia-CAN (High)Chassis-CAN (Low)2--Chassis-CAN (High)3---4-Steering wheel remote controller-5SPDIF Shield GND--6SPDIF (+)MTS keypad signal-7---8Illumination (+)AUX R input-9-Multimedia jack (GND)- 10-MIC (+)-11-Batt ...

© 2018-2026 www.helantraad.com